联系方式:

张文丽:13880962146;13340990852

景彦峰:13980033177

电话:028-84509526

邮箱:wankemu@163.com

传真:028-84509526

地址:成都经济技术开发区南京路308号

主动式真空计

FRG-700/702 Pirani Inverted Magnetron Gauge

 

安捷伦 FRG-700 规为全量程规,在紧凑且经济的规管内集成两种测量技术,以测量从 5 x 10-9mbar 至大气压(3.8 x 10-9 Torr 至大气压)的工作压力和极限压力。带有一个对数模拟输出信号的单一紧凑规管可大幅降低安装、设置和集成的复杂性。其优点在于降低成本并显著降低对宝贵空间的要求。FRG-702 为 FRG-700 的全金属型号,内含金属密封的真空密封穿导件。该规管可以在比 FRG-700(法兰处最高 55℃)更高的温度(法兰处最高 150℃)下工作。

 

 

 

 

 

特性

 

  • 两种测量技术集于一台紧凑、一体化、经济的封装中
  • 测量过程和极限压力从 5 x 10-9 mbar 至大气压(3.8 x 10-9 Torr 至大气压)
  • 一体化、紧凑的规管带有对数模拟输出,可大幅降低安装、设置和集成的复杂性
  • 适合监控高真空压力、蒸镀和溅镀系统的极限压力,以及中高真空范围内的普通真空测量和控制
  • 宽测量范围,从 5 × 10-9 mbar 至大气压
  • 灯丝不易毁坏
  • 优异的启动性能
  • 易于清洁

 

 

 

性能指标

 

技术指标 

FRG-700/702 全量程复合规

测量范围

5 x 10-9  1000 mbar3.8 x 10-9  760 Torr

准确度

± 30 % 读数,典型值

重复性

± 5% 读数,典型值

安装方向

任意

允许温度(周围环境)

操作存储

烘烤温度*

(皮拉尼)

灯丝温度

5 55 °C

–40 + 65 °C

150°C

120 °C

电源电压

在规管处

脉动

能耗

15 30 VDC

≤ 1 Vpp

≤ 2 W

输出信号(测量信号)

电压范围

测量范围

0 10.5 V

1.82 8.6 V

电压与压力关系

0.6 V/十进制, 对数的

错误信号

< 0.5 V(无输入),> 9.5 V(皮拉尼传感器,灯丝断裂)

最小负载阻抗

10 kΩ,短路保护

响应时间

< 10 ms(当压力大于 10-6 mbar 时),≈ 1000 ms(当压力等于 10-8 mbar 时)

识别规管

85 kΩ,参照常见供应

状态

仅皮拉尼规模式

复合皮拉尼/冷阴极模式

LED

0 V(低)

15 V 30(高)

绿色 LED 亮即表示高电压开

电气连接

FCC 68 应用连接器,8芯,内孔式配件

传感器电缆

8 芯加屏蔽

最大电缆长度

≤ 50 m

工作电压/电流

≤ 3.3 kV/≤ 500 A

暴露于真空中的材料

SSAl2O3FPM75MoNiAuW

内部体积

≈ 20 cm3

重量

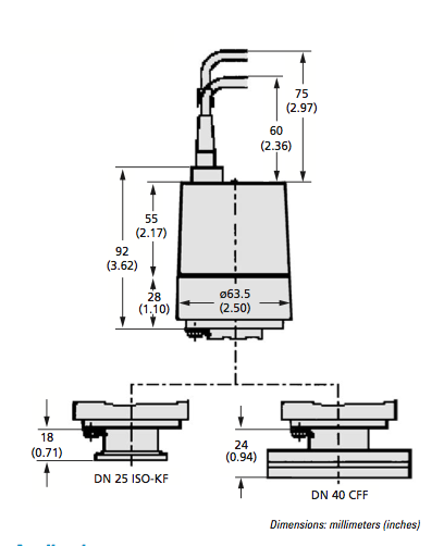
DN 25 ISO-KF ≈ 700 gDN 40 CF ≈ 980 g

标准

EN 61000-6-2EN 61000-6-3EN 61010-1

 

 

 

 

 

外形图

 

 

 

 

 

 

 

上一篇:CDG-500 电容薄膜规管

下一篇:FRG-720/730 Pirani Bayard-Alpert Gauge

地址:成都经济技术开发区南京路308号 电话:028-84509526   手机:张文丽 13880962146   13340990852  
          景彦峰   13980033177 传真:   028-84509526 邮箱:  wankemu@163.com RSS订阅 
版权所有:机电设备类模板 备案号:备案中 页面执行时间0.0938秒 查询数据库10次